Disponibilitatea alimentării electrice – abordarea “GREEN”
Matteo Granziero, Technical Communication Specialist SOCOMEC UPS
Pentru a fi considerată de înaltă calitate, energia electrică trebuie în primul rând să fie disponibilă, de exemplu: într-o formă care poate fi folosită de către consumator. Mai mult, caracteristicile fizice, cum ar fi factorul de putere și conținutul de armonice pot face diferența dintre un sistem bine conceput, total utilizabil și unul care este prost conceput și ineficient.
Impactul asupra mediului al unui sistem electric nu este limitat la eficiența funcționării sale, dar începe cu o proiectare și o dimensionare corespunzătoare și continuă cu mentenanța preventivă periodică.
De exemplu, factorii de putere extrem de reduși din cadrul sistemului, chiar dacă sunt corectați înainte de conectarea la rețeaua de distribuție, se bazează pe utilizarea de cabluri cu secțiuni mari în mod inutil și risipă de materii prime, cum ar fi cupru, PVC si chiar de combustibil necesar pentru a transporta aceste materiale.
Beneficiile sistemelor tip UPS (Uninterruptible Power Supply)
Scopul unei surse de alimentare neîntreruptibile (UPS) este de a garanta calitatea energiei electrice. Știind acest lucru, capătă sens identificarea unui UPS care funcționează în mod eficient, fără a genera deșeuri directe sau indirecte.
Prin garantarea disponibilității energiei electrice, sistemele moderne de UPS, cu un redresor tip IGBT, pot fi cea mai bună soluție. Aceste modele sunt ideale, în sensul că acționează ca o sarcină liniară cu un factor de putere unitar.
O altă considerație este aceea că, la fel ca toate mașinile, UPS-urile au propriul rating de eficiență, care se modifică în funcție de nivelurile sarcinii. De exemplu, figura 1 arată curbele de randament ale două UPS-uri diferite. De reținut că, având același randament la sarcină maximă (96%), la 50% din sarcină el poate diferi chiar și cu 2 procente. În acest caz specific, aceasta corespunde unei creșteri de 37% a pierderilor.

În plus, din cauza motivelor subliniate anterior legate de transport, un sistem UPS compact și ușor va avea un impact mai mic asupra mediului decât unul care ocupă mult spațiu și este greu.
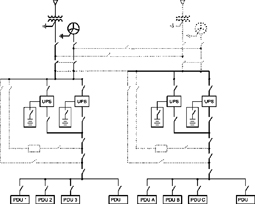
Efectele unei arhitecturi cu disponibilitate ridicată
Atunci când aplicația necesită costuri reduse sau prezintă riscuri de securitate, este necesar să se opteze pentru arhitecturi cu sisteme redundante. Pentru o arhitectură tip 2N, ca în figura 2, se poate presupune că sarcina unui UPS individual nu va depăși 30% din sarcina nominală.

Figura 1 ne ajută încă o dată să înțelegem că randamentul unui sistem cu o sarcină redusă este cel puțin la fel de importantă ca randamentul evaluat la sarcină maximă.
Stocarea energiei joacă, de asemenea, un rol important
Bateriile de tip plumb-acid reprezintă soluția de stocare a energiei cea mai des folosită în sistemele UPS. Expunerile pe termen lung, chiar dacă este vorba de o cantitate mică de acid, pot dăuna creierului și rinichilor și pot afecta dezvoltarea cognitivă a copiilor. Acidul sulfuric, care este de asemenea utilizat în componența bateriilor tip plumb-acid, este responsabil pentru problemele de mediu legate de ploile acide.
Acesta este motivul pentru care UPS-urile și bateriile vechi trebuie întotdeauna returnate furnizorului de UPS-uri sau eliminate direct de către societățile specializate de reciclare. O opțiune și mai bună o reprezintă soluțiile care maximizează durata de viață a acumulatorilor. De fapt, durata de viață a bateriilor este strâns legată de temperatura mediului din locația de instalare, figura 3.

Mai mult, bateriile sunt extrem de sensibile la modul și timpul de utilizare: ciclurile de încărcare și descărcare, profunzimea descărcării, metoda de încărcare etc. Prin urmare, este recomandabil să alegeți un sistem UPS care, printre altele să aibă un curent de încărcare foarte stabil, compensat cu temperatura ambientală, să aibă sisteme de control pentru a identifica elementele deteriorate care ar conduce la supraîncărcarea elementelor bune și redresori cu plajă largă a tensiunii de intrare, astfel încât bateriile să fie utilizate cât mai puțin posibil.
În prezent, alternativa cea mai „verde” și industrială la baterii o reprezintă sistemele de tip flywheel. Energia unui astfel de sistem este furnizată de o volantă tip dinam de mare viteză, ce se rotește în jurul axei proprii. El furnizează instantaneu către invertor energia necesară pentru a stabiliza tensiunea în timpul perturbațiilor sau a căderilor de tensiune scurte.
Unul din avantajele sistemelor flywheel față de baterii este că acest sistem este eco-compatibil. Durata de viață a bateriei este sensibil redusă de efectul de memorie, diminuarea capacității pe termen lung și sensibilitatea la temperatura mediului ambiant. Toate acestea nu afectează sistemele flywheel, ceea ce înseamnă că sunt corespunzătoare sistemelor „green”.
În afară de beneficiile ecologice, există de asemenea avantajul disponibilității crescute a energiei, având în vedere că timpul de reîncărcare al flywheel este de câteva minute în timp ce în cazul bateriilor este nevoie de câteva ore pentru reîncărcare totală. În plus, sistemele flywheel se caracterizează printr-o densitate mare de putere.
Nu în ultimul rând, volanta poate fi instalată în locul bateriilor sau chiar în paralel cu acestea, pe magistrala de curent continuu a UPS-ului .
Avantajul unui sistem hibrid baterii/flywheel este că, în cazul de micro-întreruperi volanta este capabilă să furnizeze energia necesară sistemului, în timp ce bateriile sunt necesare numai pentru întreruperile de o durată mai mare de 10 secunde, astfel prelungindu-se durata de viață a acumulatorilor.
Cea mai bună alegere
Un sistem bine conceput este unul care realizează cel mai bun compromis între costuri și beneficii, bazat pe un schimb eficient de informații între cumpărător și furnizor.
Înainte de alegerea unui UPS și a unei arhitecturi, are sens să se ia în considerare costurile datorate nefuncționării și impactul asupra mediului pe care sistemul îl poate avea.
În termeni practici, în cazul în care costurile estimate de nefuncționare legate de durata de viață utilă a sistemului depășesc costurile derivate din complexitatea sistemului, este necesară reevaluarea alegerii făcute. Chiar și Codul European de Conduită pentru Centre de Date recomandă ca arhitecturile 2N să fie utilizate numai atunci când este strict necesar.
În cele din urmă, cu toate acestea, decizia de a fi sau nu „green” este determinată de preferința personală și de economiile costurilor de operare. În ambele cazuri, furnizorul de UPS va ajuta la luarea deciziei corecte în funcție de nevoile și cerințele specificate.